
Four-row cylindrical roller bearings are the top-of-the-line heavy-duty model in the cylindrical roller bearing family, designed specifically to withstand extreme radial and impact loads. By highly integrating four rows of cylindrical rollers into a compact bearing unit, they achieve unparalleled load-bearing capacity and structural stability, serving as the "backbone" of heavy industrial equipment.
Main Applications:
Four-row cylindrical roller bearings are almost the only and standard bearing choice for work rolls and support rolls in large plate and strip rolling mills and section steel rolling mills:
Steel Rolling Industry: Roll bearings for hot rolling mills, cold rolling mills, medium and heavy plate rolling mills, and universal section steel rolling mills. This is its most core and classic application.
Large Mining Machinery: Main shaft supports for crushers and ball mills.
Large Ships: Stern tube intermediate bearings (partial design).
Heavy Construction Machinery: Radial section of the slewing bearing for large excavators.
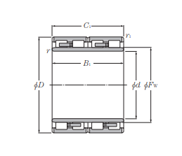
| Inquiry | Bearing Number | Basic Dimensions | ||||
|---|---|---|---|---|---|---|
| Type1 | Type2 | d | D | B | ||
| 672820 | FC202870 | 100 | 140 | 70 | ||
| 672722 | FC2234120 | 110 | 170 | 120 | ||
| 672724 | FC2430105 | 120 | 180 | 105 | ||
| 672728 | FC2842125 | 140 | 210 | 125 | ||
| 672829 | FC2942155 | 145 | 210 | 155 | ||
| 672732 | FC3246180 | 160 | 230 | 180 | ||
| 672734 | FC3450170 | 170 | 250 | 170 | ||
| 672838 | FC3854168 | 190 | 270 | 168 | ||
| 672738 | FC3854200 | 190 | 270 | 200 | ||
| 672740 | FC4058192 | 200 | 290 | 192 | ||
| 672844 | FC4468200 | 220 | 340 | 200 | ||
| 672852 | FC5280335 | 260 | 400 | 335 | ||
| 672756 | FC5678220 | 280 | 390 | 220 | ||
| 672760 | FC6084240 | 300 | 420 | 240 | ||
| 672770 | FC70100380 | 350 | 500 | 380 | ||
| 672772 | FC72102370 | 360 | 510 | 370 | ||
| 672780 | FCD80112300 | 400 | 560 | 300 | ||
| 6727/570 | FCD114150530 | 570 | 750 | 530 | ||
| 66721/630 | FCDP126184515 | 630 | 920 | 515 | ||
Wanyang Bearing: Power Your Value.Boost Your Project's Efficiency & Reliability. Connect with Wanyang Today.